| 索引号: | 003094954/202311-00018 | 信息分类: | 农村危房改造相关文件 |
|---|---|---|---|
| 内容分类: | 发文日期: | 2023-11-10 | |
| 发布机构: | 临涣镇 | 生成日期: | 2023-11-10 |
| 生效日期: | 有效 | 废止时间: | 暂无 |
| 文 号: | 关键词: | ||
| 内容概述: | |||
| 索引号: | 003094954/202311-00018 |
|---|---|
| 信息分类: | 农村危房改造相关文件 |
| 内容分类: | |
| 发文日期: | 2023-11-10 |
| 发布机构: | 临涣镇 |
| 生成日期: | 2023-11-10 |
| 生效日期: | |
| 废止时间: | 暂无 |
| 文 号: | |
| 关键词: | |
| 内容概述: |
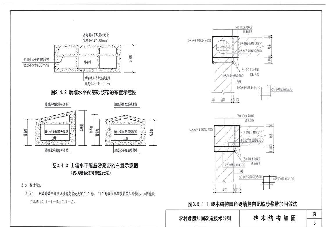
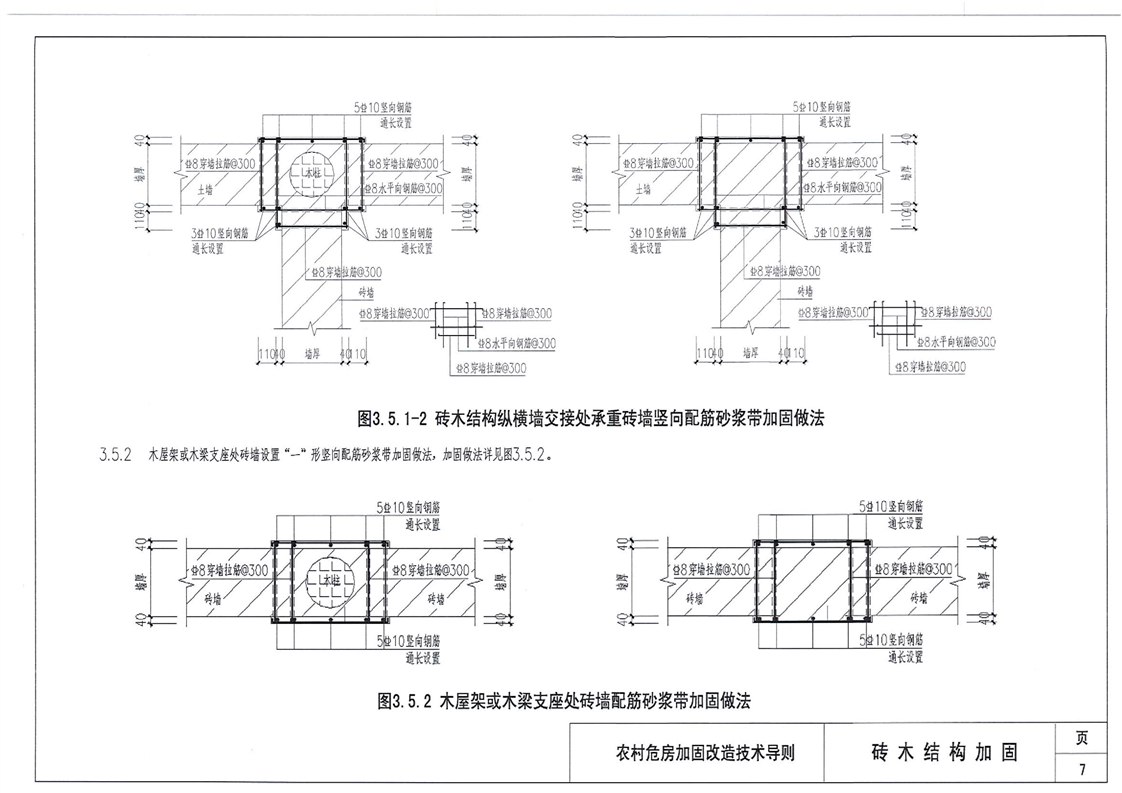
安徽省农村危房C级加固修缮技术导则































皖公网安备 34062102001029号
